DIAMOND & SAPPHIRE (TC)

DIAMOND & SAPPHIRE (TC) Diamond orifices

PRODUCTS

  • Diamond orifices

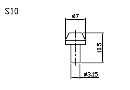
    S10

    Type S10

    LIST